LabVIEW视觉

 找回密码
 注册会员
查看: 473|回复: 0

[面阵相机] MARS-3250-12U3C大恒图像火星APS-C大靶面彩色工业相机

[复制链接]
  • TA的每日心情
    开心
    14 小时前
  • 签到天数: 3746 天

    连续签到: 73 天

    [LV.Master]2000FPS

     楼主| 发表于 2025-9-8 10:04:36 | 显示全部楼层 |阅读模式 来自:广东省东莞市 联通

    注册登陆后可查看附件和大图,以及购买相关内容

    您需要 登录 才可以下载或查看,没有账号?注册会员

    x
    MARS-3250-12U3C大恒图像火星APS-C大靶面彩色工业相机
    MARS-3250-12U3C火星系列3250万像素大靶面彩色工业相机
    火星MARS-U3系列是大恒图像推出的高分辨率工业数字相机,性能出色,坚固耐用,四面设有螺钉安装孔位,可以在不同结构下灵活安装。MARS-3250-12U3C相机采用ON XGS32000 CMOS感光芯片,通过USB3.0数据接口进行图像数据的传输, 并集成I/O (GPIO) 接口,提供线缆锁紧装置, 能稳定工作在各种恶劣环境下, 是高可靠性的工业数字相机产品。
    image1.png
    火星MARS-U3系列
    应用领域
    工业检测、医疗、科研、教育等领域。
    产品特点
    • 两种触发类型:帧开始(Frame Start)/ 帧高速连拍开始(Frame Burst Start)
    • 两种曝光时间模式:标准曝光时间模式 / 极小曝光时间模式
    • 两种曝光模式:定时曝光模式(Timed 模式)和触发宽度曝光模式(TriggerWidth 模式)
    • 支持 Gamma、Binning、像素抽样、数字移位、黑电平、平场校正、静态坏点校正
    • 彩色相机支持颜色转换、环境光源预设、饱和度功能
    • 黑白相机支持锐化和降噪功能
    • 查找表、参数组、计数器和定时器功能
    • 取消参数范围限制,可扩大曝光、增益、白平衡等参数的范围值
    • 提供 16KB 用户数据区,保存算法系数、参数配置等

    规格参数
    型号  
    MARS-3250-12U3C
    MARS-3250-12U3M
    品牌  
    大恒图像
    系列  
    火星MARS-U3
    分辨率  
    6576(H) × 4940(V)
    帧率(fps)  
    12.1
    传感器厂商  
    ON Semi
    传感器  
    APS-C XGS32000 Global shutter CMOS
    像元尺寸  
    3.2μm
    模数转换精度  
    12 bit
    像素深度  
    8 bit,12 bit
    数据接口  
    USB3.0
    镜头接口  
    F,M42
    光谱  
    彩色
    黑白
    图像数据格式  
    Bayer RG8 / Bayer RG12
    Mono8 / Mono12
    信噪比
    39.56 dB
    39.61dB
    曝光时间
    标准:162μs ~ 1s(取消参数范围限制后标准曝光最大值为15s),实际步长:1 行周期;  
    极小:92μs ~ 161μs,实际步长1us
    增益  
    0dB ~ 24dB;默认值0dB,步长0.1dB
    Binning  
    1×1,1×2,1×4,2×1,2×2,2×4,4×1,4×2,4×4
    像素抽样同  
    Sensor:1×1,1×2,2×1,2×2
    同步方式  
    外触发,软触发
    工作方式  
    单帧采集,连续采集,软触发采集,外触发采集
    镜像翻转  
    水平镜像,垂直镜像
    I/O接口  
    1 路光耦隔离输入,1 路光耦隔离输出,2 路双向 GPIO
    供电要求  
    12VDC-10%~24VDC+10% 电源(该系列不能使用USB3接口供电)
    功率  
    5.6 W @ 24 VDC
    工作温度  
    0°C ~ +45°C
    存储温度  
    -20°C ~ +70°C
    工作湿度  
    10% ~ 80%
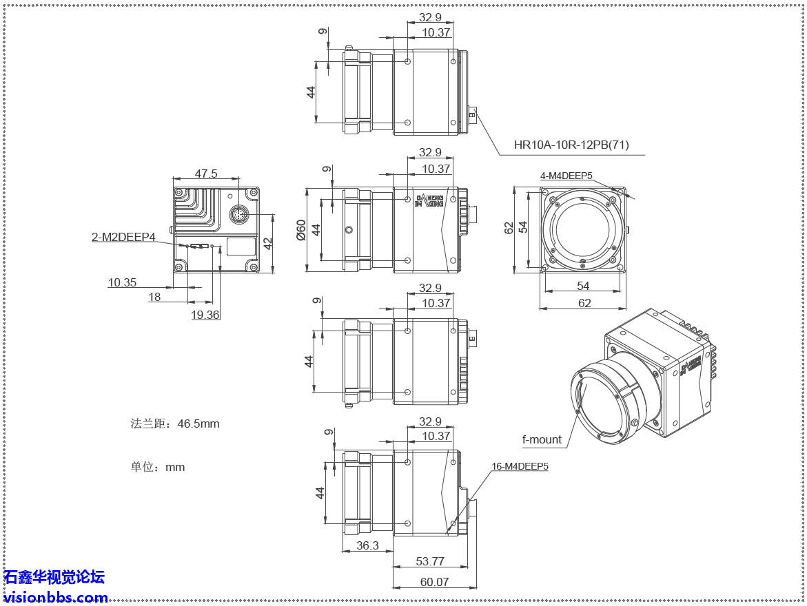
    机械尺寸  
    62(W) × 62(H) × 53.77(L) mm(不含镜头接口长度)
    重量  
    308 g
    认证及标准  
    CE,RoHS,FCC,ICES,UKCA,USB3 Vision®,GenICam®
    软件  
    支持 HALCON,MERLIC,LabVIEW 等第三方软件
    操作系统  
    32bit / 64bit Windows,Linux,Android,ARMv7,ARMv8


    光谱曲线
    image2.png
    IO接口
    image3.png
    机械尺寸
    image4.png
    MARS-3250-12U3M/CM42口
    image5.png
    MARS-3250-12U3M/CF口
    回复

    使用道具 举报

    您需要登录后才可以回帖 登录 | 注册会员

    本版积分规则

    LabVIEW HALCON图像处理入门教程(24.09)
    石鑫华机器视觉与LabVIEW Vision图像处理PDF+视频教程11种全套
    《LabVIEW Vision函数实例详解2020-2024》教程-NI Vision所有函数使用方法介绍,基于NI VISION2020,兼容VDM21/22/23/24

    QQ|LabVIEW视觉 |网站地图

    GMT+8, 2025-12-18 22:07

    Powered by Discuz! X3.4

    © 2001-2025 Discuz! Team.

    快速回复 返回顶部 返回列表