LabVIEW视觉

 找回密码
 注册会员
查看: 127|回复: 0

[面阵相机] MER3-501-59G3C-P大恒图像水星2.5GigE彩色工业相机

[复制链接]
  • TA的每日心情

    7 小时前
  • 签到天数: 3791 天

    连续签到: 42 天

    [LV.Master]2000FPS

     楼主| 发表于 2026-1-24 18:42:28 | 显示全部楼层 |阅读模式 来自:广东省东莞市 联通

    注册登陆后可查看附件和大图,以及购买相关内容

    您需要 登录 才可以下载或查看,没有账号?注册会员

    x
    MER3-501-59G3C-P大恒图像水星2.5GigE彩色工业相机
    水星三代 500 万像素 2.5GigE 接口面阵相机
    MER3-501-59G3C-P相机采用全局曝光的 CMOS 感光芯片, 通过2.5GigE数据接口进行图像数据的传输, 传输速度可达2.5Gbit/s,支持Power over Ethernet, 并集成I/O (GPIO) 接口, 提供线缆锁紧装置, 能稳定工作在各种恶劣环境下,并且相机四面设有螺钉安装孔位,可以在不同结构下灵活安装,是高可靠性的工业数字相机产品。
    image1.png
    水星MER3-G3-P系列工业相机
    应用领域
    工业检测、轨道交通、科研、3D重构等领域。

    功能特性
    n  两种触发类型:帧开始(Frame Start)/ 帧高速连拍开始(Frame Burst Start)
    n  两种曝光模式:标准曝光模式 / 极小曝光模式
    n  Gamma、像素抽样、数字移位、黑电平
    n  查找表、参数组、计数器和定时器功能
    n  支持 Burst 采集、电平控制曝光功能
    n  彩色相机支持环境光源预设、颜色转换、饱和度功能
    n  黑白相机支持降噪
    n  取消参数范围限制,可扩大曝光、增益、白平衡等参数的范围值
    n  提供 512K用户数据区,保存算法系数、参数配置等


    光谱曲线
    image2.png

    规格参数
    型号  
    MER3-501-59G3C-P
    MER3-501-59G3M-P
    光谱
    彩色
    黑白
    像素格式
    Bayer RG8 / Bayer RG12
    Mono8 / Mono12
    信噪比
    40.61 dB
    40.57 dB
    品牌
    大恒图像
    分辨率
    2448(H) × 2048(V)
    传感器
    2/3" Global shutter CMOS
    像元尺寸
    3.45μm × 3.45μm
    帧率
    56.05fps @ 2448 × 2048  
    可以调整包长到8164 并且预留带宽到5,帧率达到58.60fps  
    突发采集高速模式下,采集帧率可达67.90fps
    模数转换精度
    12 bit
    像素深度
    8 bit, 12 bit
    曝光时间
    极小:1μs ~ 100μs,实际步长:1μs 标准:20μs ~ 1s,实际步长:1 行周期
    增益
    0dB ~ 16dB;默认值0dB,步长0.1dB
    Binning
    1×1,1×2,1×4,2×1,4×1,2×2,4×4
    像素抽样
    FPGA:1×1,1×2,1×4,2×1,4×1,2×2,4×4
    同步方式
    外触发,软触发
    工作方式
    单帧采集,连续采集,软触发采集,外触发采集
    镜像翻转
    水平镜像,垂直镜像
    I/O接口
    1 路光耦隔离输入, 2 路双向  GPIO
    数据接口
    2.5GigE
    供电要求
    PoE(Power over Ethernet,兼容 IEEE802.3af)或12VDC-10% ~ 24VDC+10% 电源
    额定功率
    < 5.1 W @ 12 V / PoE
    工作温度
    0° C ~ +50° C
    存储温度
    -20°C ~ +70°C
    工作湿度
    10% ~ 80%
    镜头接口
    C
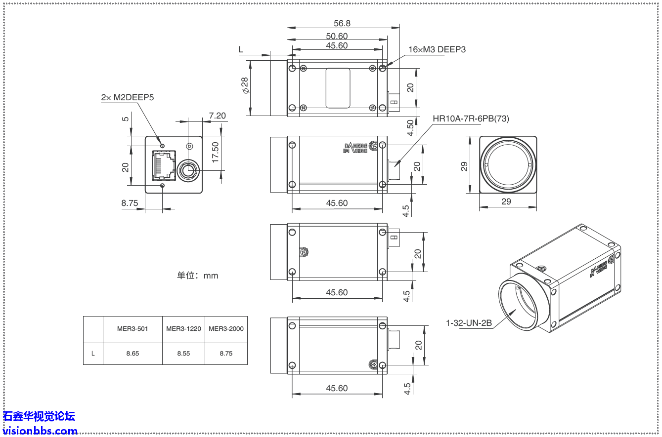
    机械尺寸
    29(W) ×29(H) × 50.6(L) mm(不含镜头接口和连接件)
    重量
    67 g
    软件
    支持 HALCON,MERLIC,VisionPro,LabVIEW 等第三方软件
    操作系统
    32bit / 64bit Windows,Linux,Mac OS
    认证及标准
    CE,RoHS,FCC,ICES,UKCA,GigE  Vision®,GenICam®


    IO接口
    image3.png

    机械尺寸
    image4.png

    回复

    使用道具 举报

    您需要登录后才可以回帖 登录 | 注册会员

    本版积分规则

    LabVIEW HALCON图像处理入门教程(24.09)
    石鑫华机器视觉与LabVIEW Vision图像处理PDF+视频教程11种全套
    《LabVIEW Vision函数实例详解2020-2024》教程-NI Vision所有函数使用方法介绍,基于NI VISION2020,兼容VDM21/22/23/24

    QQ|LabVIEW视觉 |网站地图

    GMT+8, 2026-2-2 17:31

    Powered by Discuz! X3.4

    © 2001-2026 Discuz! Team.

    快速回复 返回顶部 返回列表