LabVIEW视觉

 找回密码
 注册会员
查看: 349|回复: 0

[面阵相机] ME2P-034-491G3M-P-MS4-16P S00大恒图像多光谱工业相机

[复制链接]
  • TA的每日心情
    慵懒
    6 小时前
  • 签到天数: 3864 天

    连续签到: 57 天

    [LV.Master]2000FPS

     楼主| 发表于 2026-3-4 15:34:17 | 显示全部楼层 |阅读模式 来自:广东省东莞市 联通

    注册登陆后可查看附件和大图,以及购买相关内容

    您需要 登录 才可以下载或查看,没有账号?注册会员

    x
    ME2P-034-491G3M-P-MS4-16P S00大恒图像多光谱工业相机
    水星二代 Plus 34 万像素2.5GigE 接口多光谱相机
    配备索尼InGaAs ViSWIR传感器IMX990,1台短波相机,4个通道图像输出,支持编码器触发采集和连续采集。
    ME2P-034-491G3M-P-MS4-16P S00相机采用全局曝光的Sony IMX990 CMOS 感光芯片, 通过2.5GigE数据接口进行图像数据传输,相机结构紧凑,外观小巧,内置优异的图像处理( ISP) 算法, 提供多种采集方式,支持Power over Ethernet,集成I/O接口,提供线缆锁紧装置, 且相机四面设有螺孔,能够灵活安装并稳定工作在各种恶劣环境下, 是高可靠性的工业数字相机产品。
    image1.png
    水星MER3-G3-P系列工业相机
    应用领域
    水分测量、半导体检测、 塑料分类等领域。

    功能特性
    ■    支持 Power Over Ethernet (PoE,兼容 IEEE802.3af标准 )
    ■    支持四个波段可选输出 1200nm/1300nm/1450nm/1600nm
    ■    支持设置四个波段 ROI
    ■    曝光、增益可编程设置
    ■    支持编码器触发采集和连续采集
    ■    支持 Gamma 和锐化
    ■    支持查找表、参数组

    光谱曲线
    image2.png

    规格参数
    型号  
    ME2P-034-491G3M-P-MS4-16P S00
    品牌
    大恒图像
    分辨率
    1280(H) × 256(V) ( 每个 band 包含 64 线 )
    传感器
    Sony 1/2” IMX990 Global shutter CMOS
    像元尺寸
    5μm × 5μm
    帧率
    8bit
    491fps (4 个band),630fps  (3 个band),875fps (2 个band)
    10bit
    457fps( 4 个band),585fps  (3 个band),813fps (2 个band)
    12bit
    261fps (4 个band),334fps  (3 个band),465fps (2 个band)
    模数转换精度
    8bit,10bit,12 bit
    像素深度
    8bit,10bit,12 bit
    波长范围
    1200nm / 1300nm / 1450nm / 1600nm
    像素格式
    Mono8 / Mono10 / Mono12
    信噪比
    50.76 dB
    曝光时间
    极小:3μs ~ 100μs,实际步长:1μs;标准:13μs ~ 1s,实际步长:1 行周期
    增益
    0dB ~ 24dB;默认值0dB,步长0.1dB
    同步方式
    外触发,软触发
    工作方式
    单帧采集,连续采集,软触发采集,外触发采集
    镜像翻转
    水平镜像,垂直镜像
    I/O接口
    1 路光耦隔离输入, 2 路双向  GPIO
    数据接口
    2.5GigE
    供电要求
    PoE(Power over Ethernet,兼容 IEEE802.3af)或12VDC-10% ~ 24VDC+10% 电源
    额定功率
    3.64 W @ 12 VDC; 4.36 W @ PoE
    工作温度
    0° C ~ +50° C
    存储温度
    -20°C ~ +70°C
    工作湿度
    10% ~ 80%
    镜头接口
    C
    滤色片/透光片
    机械尺寸
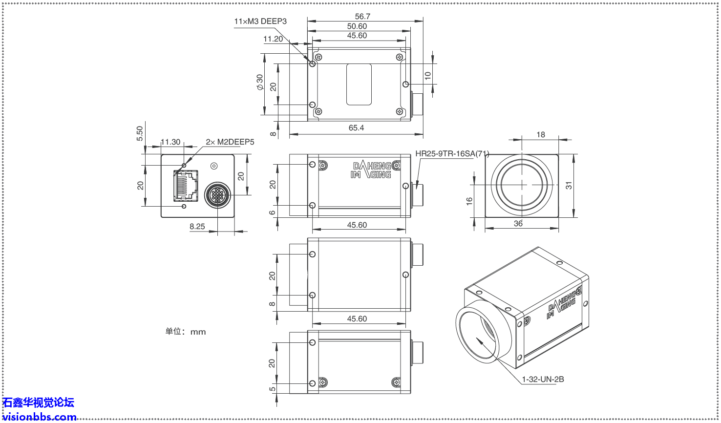
    36(W) × 31(H) ×  50.6(L) mm(不含镜头接口、航插长度)
    重量
    87 g
    软件
    支持 HALCON,MERLIC,VisionPro,LabVIEW 等第三方软件
    操作系统
    32bit / 64bit Windows,Linux,Mac OS
    认证及标准
    CE,RoHS,FCC,ICES,UKCA,GigE  Vision®,GenICam®

    IO接口
    image3.png

    机械尺寸
    image4.png

    相关帖子

    回复

    使用道具 举报

    您需要登录后才可以回帖 登录 | 注册会员

    本版积分规则

    LabVIEW HALCON图像处理入门教程(25.08)
    石鑫华机器视觉与LabVIEW Vision图像处理PDF+视频教程11种全套
    《LabVIEW Vision函数实例详解2020-2024》教程-NI Vision所有函数使用方法介绍,基于NI VISION2020,兼容VDM21/22/23/24

    QQ|LabVIEW视觉 |网站地图

    GMT+8, 2026-4-22 14:40

    Powered by Discuz! X3.4

    © 2001-2026 Discuz! Team.

    快速回复 返回顶部 返回列表